
Why Silk?
Why now?
We re-engineer silk protein to create meaningful impact and address critical unmet medical needs. We focus on addressing diseases with high unmet clinical needs by recreating, in vitro, one of the body’s most complex and dynamic organs — the bone marrow.
The Bio in 4B
Key advantages of our
silk-based technology
By gaining deeper insights into the mechanisms of hematopoiesis we will unlock new solutions for industry, academia and patients.
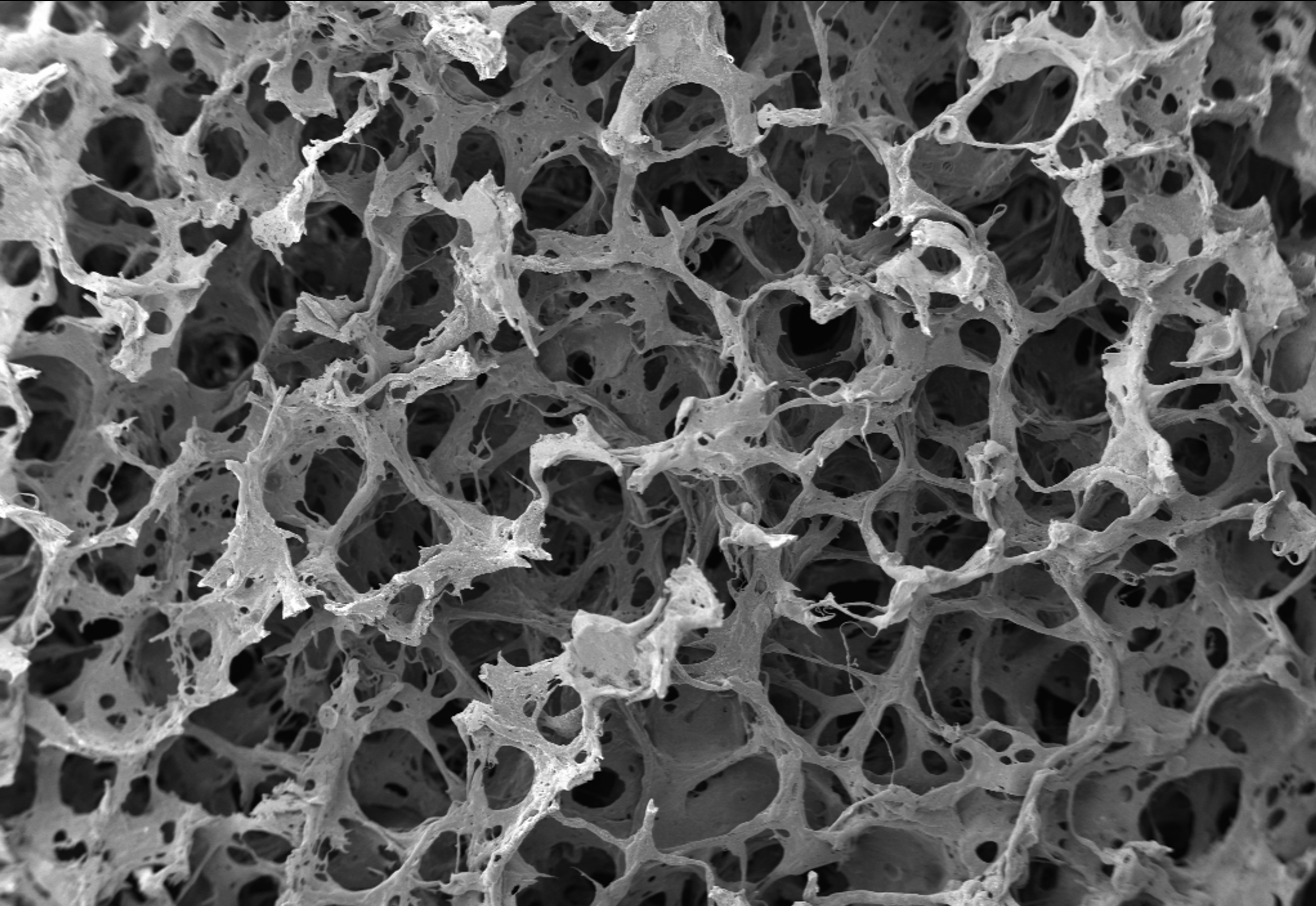
Faithful replication of the bone marrow microenvironment to support hematopoietic stem cell function and differentiation.
Biomimicry
Biocompatibility
Utilization of silk fibroin, a biocompatible material approved by FDA and EMA, known for its non-thrombogenic properties and low immunogenicity.
Application of advanced perfusion bioreactors for 3D cell culture, enabling efficient and scalable production of hematopoietic cells.
Bioproduction
Capability to generate blood cells ex vivo in a controlled and efficient manner, facilitating research and potential therapeutic applications.
Bio-manufacturing blood
Our story
Can we understand and recreate bone marrow outside the human body?
We discovered how the 3D architecture and remarkable softness of bone marrow, one of the most delicate tissues in the human body, plays a crucial role in regulating blood cell behavior and maturation.
To replicate this environment in vitro, we needed a biomaterial with unique properties.
Silk fibroin's natural flexibility and tunability made it the perfect match.
In 2015, our team
achieved a breakthrough
We developed an innovative, perfusable bone marrow bioreactor featuring porous 3D sponges made from silk fibroin. This model successfully seeded and differentiated hematopoietic cells, producing significant numbers of functional platelets.
By 2024, we advanced further by combining silk's exceptional properties with cutting-edge 3D bioprinting technology.
This innovation gave birth to Silkink: a bio-ink platform that recreates the bone marrow niche with unprecedented precision, reproducibility, and softness. Our models have proven effective for studying multiple cell types, including platelets, red blood cells, and neutrophils.
This is just the beginning. Through SilkBioreactor—our bioengineered platform that recreates the complexity of the human bone marrow—we aim to transform biomedical research by enabling controlled, physiologically relevant studies of blood cell production and hematopoiesis.
World-Class Team
The Silk4B
Team of Innovators
Publications
Science behind
the Platform
Services
From Lab
to Impact
We provide scalable and versatile platforms designed to tackle multiple challenges across research and clinical domains. In doing so, two core values guide everything we do: sustainability and scalable innovation.